TH M5 030 11 033
ITP P/N:
THM503011033
11
Suitable for Zeiss: 600342-8020-000, 600432-8020-000
Suitable for Zeiss: 600342-8020-000, 600432-8020-000
TH M5 030 11 033
ITP P/N:
THM503011033
€27.00*
Available, ready for shipment 1-3 days
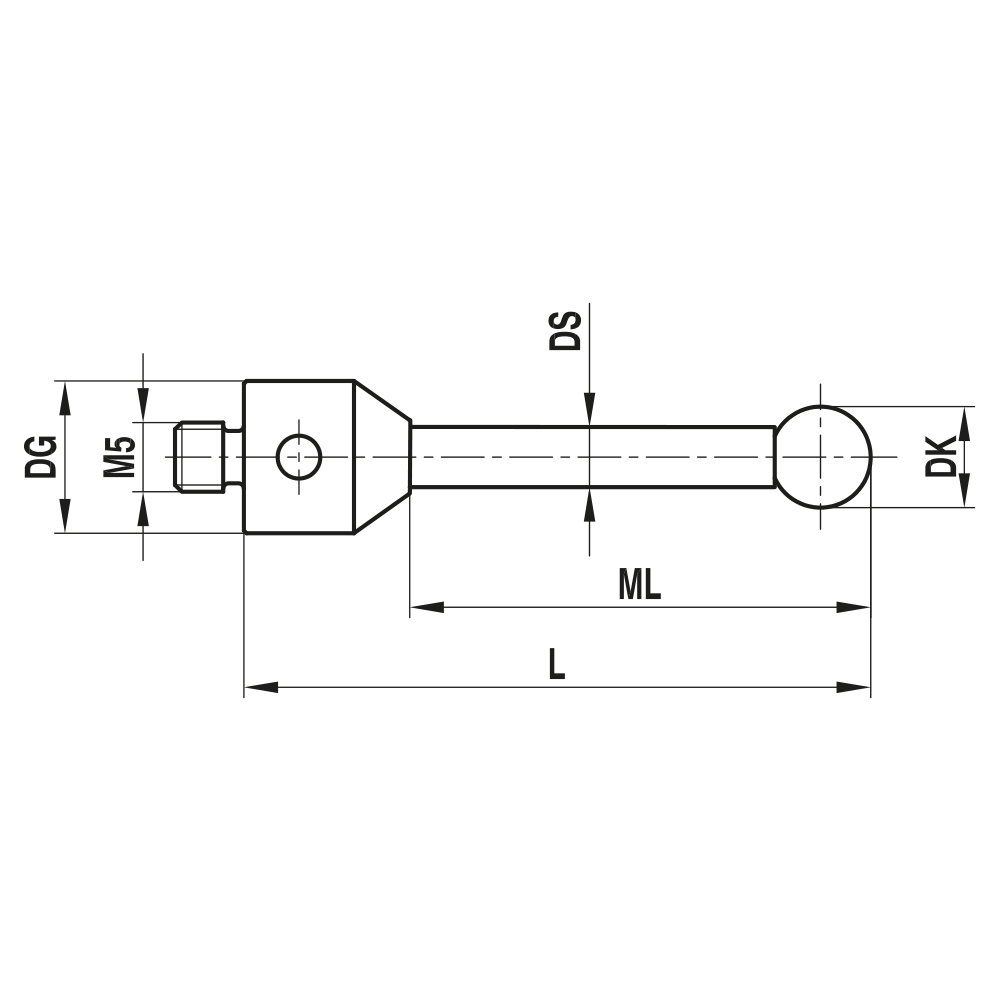
Straight Styli; base: titanium; stem: carbide; ball: ruby
Straight stylus for everyday standard use.
The carbide stem with its extreme rigidity enables a wide range of dimensions. Ruby balls of the highest quality from Ø2,0mm to Ø10,0mm are used for these styli.
Other sizes can be requested via the configurator or by e-mail.
| Thread size: | M5 |
|---|---|
| DK: | 3.0 |
| L: | 33.5 |
| DG: | 11.0 |
| ML: | 23.5 |
| DS: | 2.0 |
| Stem Material: | carbide |
| Base Material: | titanium |
| Probe ball material: | ruby |
| Weight: | 4.3 |
| Compatible with: | Hexagon, Renishaw, Zeiss |
| Zeiss No.: | 600342-8020-000, 600432-8020-000 |
| Renishaw-No.: | A-5003-0788, A-5555-0019 |
| Hexagon-No.: | M00-1121-049-000 |