TP M3 MES SO TL3
Termékszám:
TPM3MESSOTL3
11
Suitable for Zeiss: 620161-8274-000, 620161-8075-000, 620161-8175-000, 620161-8259-000
Suitable for Zeiss: 620161-8274-000, 620161-8075-000, 620161-8175-000, 620161-8259-000
TP M3 MES SO TL3
Termékszám:
TPM3MESSOTL3
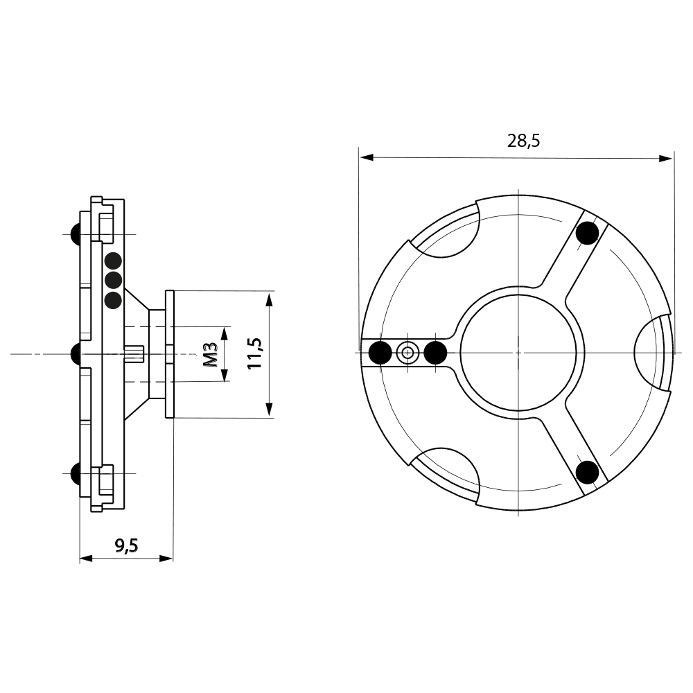
Adaptor plates; base: aluminium
The TL3 M3 XXT adaptor plate is used to connect the stylus to the probing system. It is fitted with an ID chip to identify the installed stylus system. The plate can be combined with any item in the M3XXT range.
| Thread size: | M3 XXT |
|---|---|
| Base Material: | aluminium |
| Súly: | 4.5 |
| Compatible with: | Zeiss |
| Zeiss No.: | 620161-8274-000, 620161-8075-000, 620161-8175-000, 620161-8259-000 |