TH M2 010 03 019
Termékszám:
THM201003019
11
Suitable for Zeiss: 000000-1776-942, 626120-0184
Suitable for Zeiss: 000000-1776-942, 626120-0184
TH M2 010 03 019
Termékszám:
THM201003019
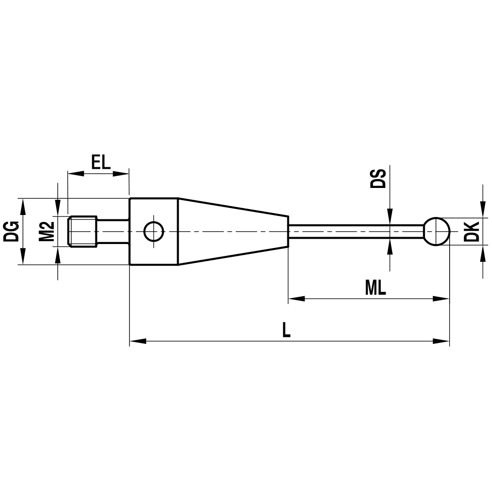
Straight Styli / Star styli; base: stainless steel; stem: carbide; ball: ruby
Straight stylus used to clamp star styli. It provides additional probing capability in the Z direction. The stylus has an extended thread to match the height of the star stylus.
Ruby balls are available as the probe element.
| Thread size: | M2 |
|---|---|
| DK: | 1.0 |
| L: | 19.0 |
| DG: | 3.0 |
| EL: | 5.0 |
| ML: | 11.5 |
| DS: | 0.7 |
| Stem Material: | carbide |
| Base Material: | stainless steel |
| Probe ball material: | ruby |
| Súly: | 0.5 |
| Compatible with: | Renishaw, Zeiss |
| Zeiss No.: | 000000-1776-942, 626120-0184 |
| Renishaw-No.: | A-5003-4791 |