SI M3 020 07 052
Termékszám:
SIM302007052
11
SI M3 020 07 052
Termékszám:
SIM302007052
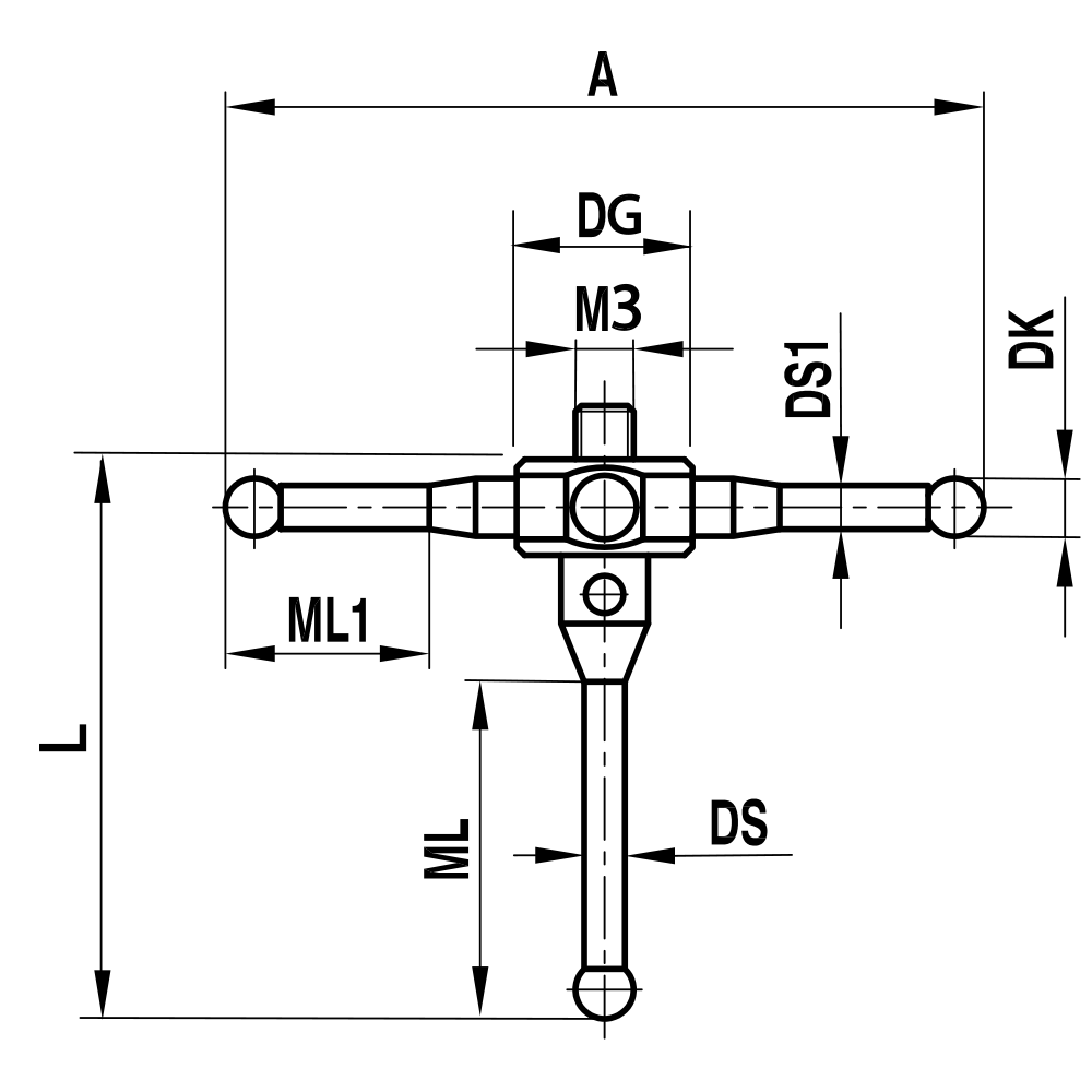
Star Styli; base: stainless steel; stem: stainless steel; ball: ruby
The star styli in this product group are styli with four fixed arms arranged at 90° to each other. An axial stylus, which can be used as a fifth measuring arm, tensions and holds the star, which can be flexibly adjusted to suit the measurement requirements.
| Thread size: | M3 |
|---|---|
| DK: | 2.0 |
| L: | 32.0 |
| DG: | 7.0 |
| ML: | 11.0 |
| ML (1): | 12.0 |
| DS: | 1.4 |
| DS (1): | 1.4 |
| A: | 52.0 |
| Stem Material: | stainless steel |
| Base Material: | stainless steel |
| Probe ball material: | ruby |
| Súly: | 3.7 |
| Compatible with: | Mitutoyo, Renishaw |
| Renishaw-No.: | A-5003-0077 |
| itp_product_attributes_mitutoyo_no: | K651164 |