SC M3 S30 05 040/180°
Termékszám:
SCM3S3005040/180°
11
Suitable for Zeiss: 626103-0314-040, 626103-3014-040
Suitable for Zeiss: 626103-0314-040, 626103-3014-040
SC M3 S30 05 040/180°
Termékszám:
SCM3S3005040/180°
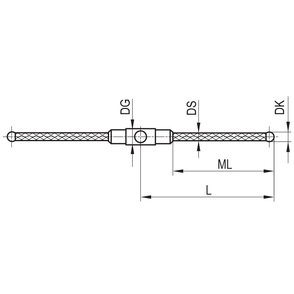
Star Styli; base: titanium; stem: carbon fiber; ball: silicon nitride
1/2 star styli are used in combination with extensions from the M3 XXT range to create 2-arm styli.
The two stylus arms are arranged at a 180° angle to each other. The carbon fibre stem provides high stiffness and low weight. A high precision ruby ball is available as the stylus element. A special screw, e.g. SIM300005008, can be used for clamping.
| Thread size: | M3 XXT |
|---|---|
| DK: | 3.0 |
| L: | 40.0 |
| DG: | 5.0 |
| ML: | 31.0 |
| DS: | 2.0 |
| Stem Material: | carbon fiber |
| Base Material: | titanium |
| Probe ball material: | silicon nitride |
| Súly: | 1.7 |
| Compatible with: | Zeiss |
| Zeiss No.: | 626103-0314-040, 626103-3014-040 |