SC M3 S30 05 020
Termékszám:
SCM3S3005020
11
Suitable for Zeiss: 626103-0312-020, 626103-0311-020
Suitable for Zeiss: 626103-0312-020, 626103-0311-020
SC M3 S30 05 020
Termékszám:
SCM3S3005020
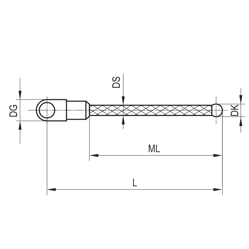
Star Styli; base: titanium; stem: carbon fiber; ball: silicon nitride
1/4 star styli are used in combination with extensions from the M3 XXT range to create L-shaped styli. The carbon fibre stem provides high rigidity and low weight. The probing element is a high precision ruby ball. A special screw, e.g. SIM300005008, can be used for clamping.
| Thread size: | M3 XXT |
|---|---|
| DK: | 3.0 |
| L: | 20.5 |
| DG: | 5.0 |
| ML: | 11.0 |
| DS: | 2.0 |
| Stem Material: | carbon fiber |
| Base Material: | titanium |
| Probe ball material: | silicon nitride |
| Súly: | 0.8 |
| Compatible with: | Zeiss |
| Zeiss No.: | 626103-0312-020, 626103-0311-020 |