NH M5 006 11 022
Termékszám:
NHM500611022
11
Suitable for Zeiss: 626115-0060-022, 626115-0061-021
Suitable for Zeiss: 626115-0060-022, 626115-0061-021
NH M5 006 11 022
Termékszám:
NHM500611022
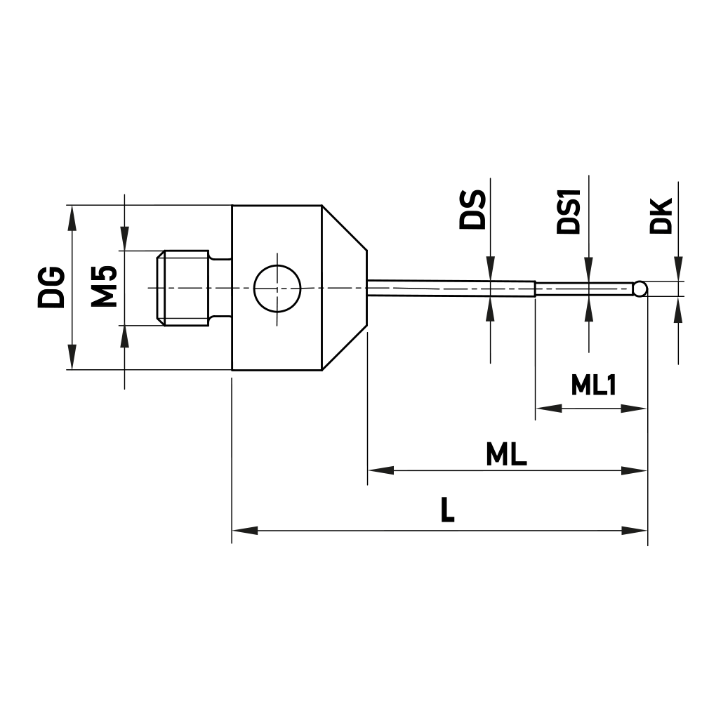
Straight Styli; base: stainless steel; stem: carbide; ball: ruby
Straight stylus for everyday standard use.
The extremely rigid tungsten carbide stem allows a wide range of dimensions. The stem can be single or multi-stepped.
Ruby balls of the highest quality from Ø0,2mm to Ø1,5mm are used for these styli.
Other sizes can be requested via the configurator or by e-mail.
| Thread size: | M5 |
|---|---|
| DK: | 0.6 |
| L: | 22.1 |
| DG: | 11.0 |
| ML: | 13.1 |
| ML (1): | 4.6 |
| DS: | 1.0 |
| DS (1): | 0.4 |
| Stem Material: | carbide |
| Base Material: | stainless steel |
| Probe ball material: | ruby |
| Súly: | 5.6 |
| Compatible with: | Renishaw, Zeiss |
| Zeiss No.: | 626115-0060-022, 626115-0061-021 |
| Renishaw-No.: | A-5555-0890 |