KR M2 060 03 010

Termékszám: KRM206003010 11

KR M2 060 03 010

Termékszám: KRM206003010

74,00 EUR*


To our inquiry form
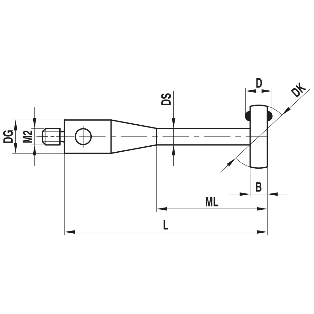
Disc Styli; base: stainless steel; stem: stainless steel; ball: ruby
The stylus has a stainless steel stem, a ruby disc and a steel tip. Ruby discs and balls are the all-rounders in metrology and are suitable for measuring workpieces in a wide range of materials. The steel tip offers the additional option of axial probing.
Thread size: M2
DK: 6.0
L: 10.6
DG: 3.0
ML: 6.2
DS: 2.0
B: 1.2
D: 2.0
Stem Material: stainless steel
Base Material: stainless steel
Probe ball material: ruby
Súly: 0.6
Compatible with: Hexagon, Mitutoyo, Renishaw
Renishaw-No.: A-5000-3611
Hexagon-No.: 03969241
itp_product_attributes_mitutoyo_no: K651085
Drawing of product KR M2 060 03 010