KI M2 060 03 010
Termékszám:
KIM206003010
11
KI M2 060 03 010
Termékszám:
KIM206003010
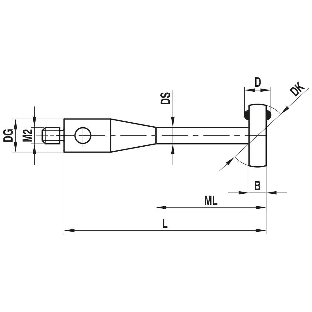
Disc Styli; base: stainless steel; stem: stainless steel; ball: stainless steel
Stylus with tungsten carbide or stainless steel stem and stainless steel disc. In addition, ruby balls are mounted on the face to measure, for example, the width of a groove. These styli are often used to measure softer materials such as aluminium, plastics or non-alloy steels.
| Thread size: | M2 |
|---|---|
| DK: | 6.0 |
| L: | 10.0 |
| DG: | 3.0 |
| ML: | 5.0 |
| DS: | 2.0 |
| B: | 1.5 |
| D: | 2.0 |
| Stem Material: | stainless steel |
| Base Material: | stainless steel |
| Probe ball material: | stainless steel |
| Súly: | 0.7 |