KI M2 030 25 M20
Termékszám:
KIM203025M20
11
Suitable for Zeiss: 000000-1776-473, 626120-0116-000
Suitable for Zeiss: 000000-1776-473, 626120-0116-000
KI M2 030 25 M20
Termékszám:
KIM203025M20
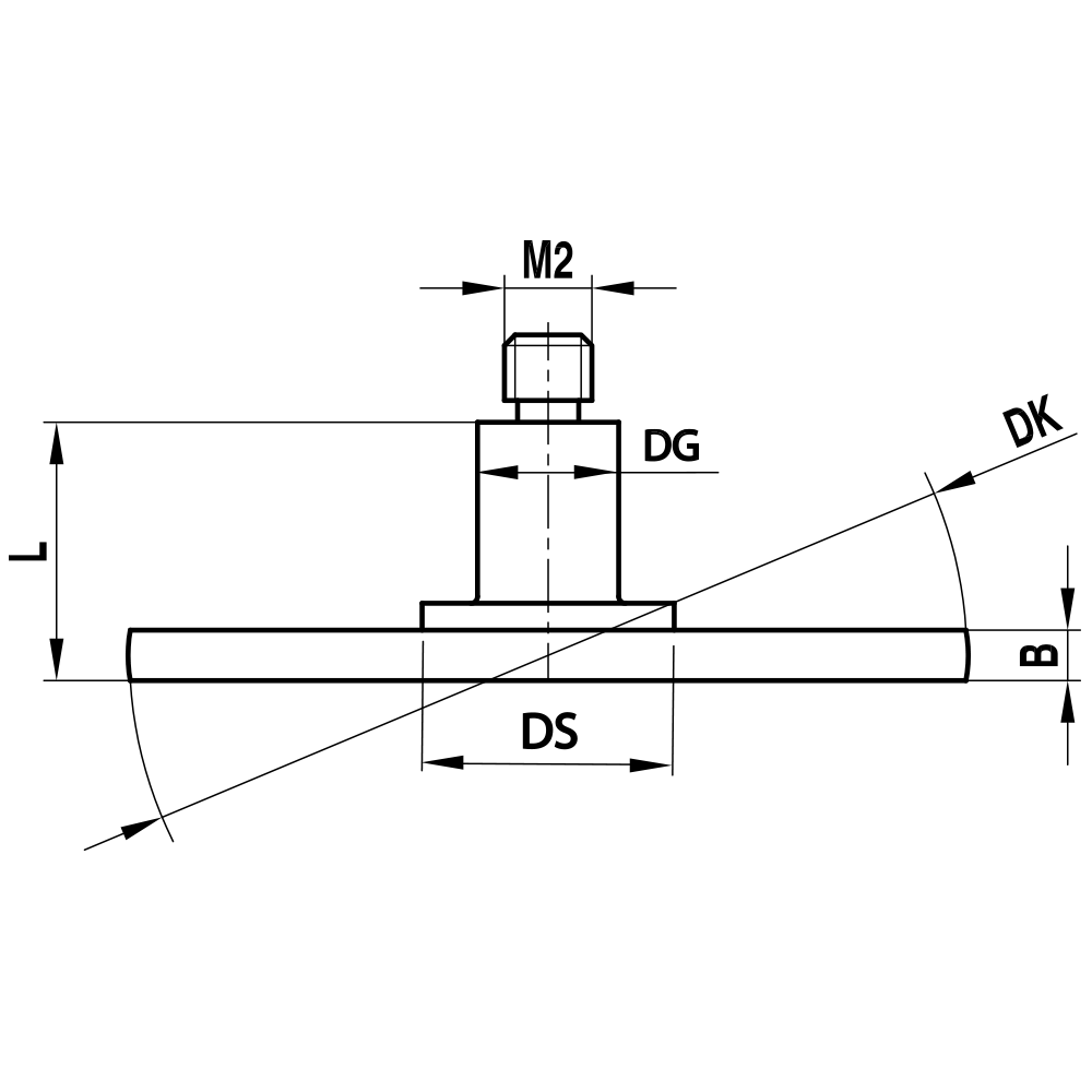
Disc Styli; base: stainless steel; stem: stainless steel; ball: stainless steel
These models are styli with a monolithic base and a stainless steel disc. In addition, ruby balls are mounted on the face to enable measurement of groove width, for example. These styli are often used to measure workpieces made of low hardness materials such as aluminium, plastics or non-alloy steels.
| Thread size: | M2 |
|---|---|
| DK: | 25.0 |
| L: | 4.0 |
| DG: | 6.0 |
| B: | 3.0 |
| Stem Material: | stainless steel |
| Base Material: | stainless steel |
| Probe ball material: | stainless steel |
| Súly: | 11.4 |
| Compatible with: | Mitutoyo, Renishaw, Zeiss |
| Zeiss No.: | 000000-1776-473, 626120-0116-000 |
| Renishaw-No.: | A-5000-4187 |
| itp_product_attributes_mitutoyo_no: | K651082 |